Регулируемая донная форсунка ФП.122.3 используется в основном в переливных бассейнах и является важной составляющей системы водообмена. Устройство обеспечивает возврат воды в чашу, ее оптимальное перемешивание и равномерное распределение химических реагентов.
Благодаря особенностям конструкции данной модели, в которую входит специальная шайба и регулировочный винт, можно изменять скорость потока воды. А именно, регулируя диаметр проходного отверстия, можно настроить поток или полностью его перекрыть.
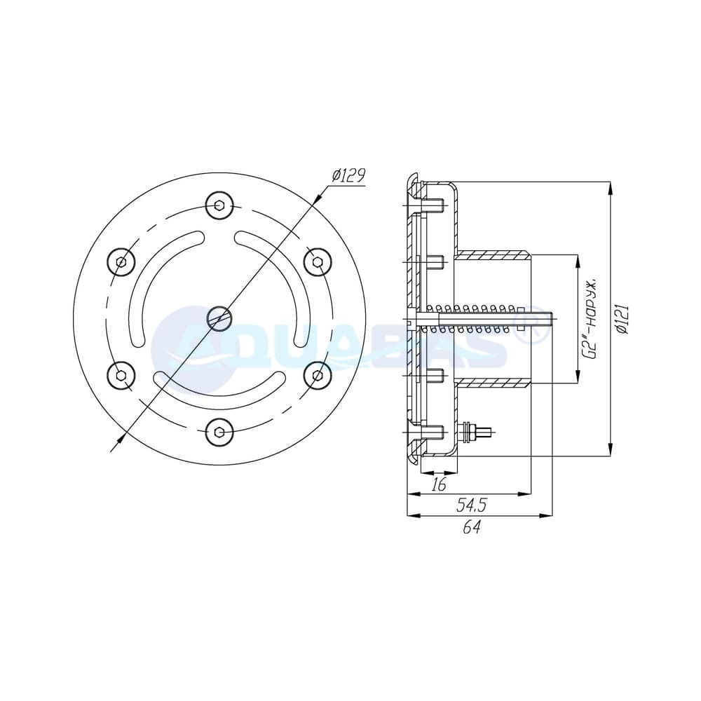
Технические характеристики и условия эксплуатации
- Диаметр лицевой панели: 128 мм
- Отделка бассейна: плитка или мозаика
- Подсоединение: 2 дюйма (наружная резьба)
- Рекомендуемый расход воды: 8-12 м3/час
- Материал изготовления: нержавеющая сталь AISI-304
- Отделка лицевой стороны: зеркальная полировка
- Количество уплотнительных прокладок: 1 шт
При соблюдении значений рекомендованного расхода, скорость потока воды через подающую форсунку составляет 2-3 м/с, что соответствует требованиям ГОСТ Р 53491-1-2009.
Комплектация и особенности установки
Регулируемая донная форсунка д. 120 (арт. ФП.122.3) имеет закладную с наружным резьбовым подсоединением 2 дюйма. Резиновое уплотнение в комплекте позволяет произвести аккуратный монтаж изделия. Лицевая панель крепится к закладной шестью винтами. Более подробную схему можно посмотреть в Техническом паспорте изделия.
Выгодные условия покупки
В нашей компании вы сможете купить донную форсунку под плитку AQUABAS из наличия или под заказ по цене производителя. Возможен самовывоз товара со склада в Москве, а также доставка по России и в страны СНГ транспортной компанией.
К сведению зарубежных партнеров и покупателей: в страны Евразийского экономического союза (Армения, Беларусь, Российская Федерация, Казахстан и Киргизия) закладные из нержавеющей стали разрешено поставлять без оформления сертификатов ТР ТС 010/2011.
