Стеновая форсунка ФП.091.6/1 используется в основном в бассейнах скиммерного типа, это важная составляющая системы водоподготовки бассейна. Устройство обеспечивает возврат воды в чашу, ее оптимальное перемешивание и равномерное распределение химических реагентов.
Классический дизайн лицевой панели не только выполняет свою основную функцию по равномерному распределению водного потока, но и гарантированно подойдет под любой стиль оформления бассейна.
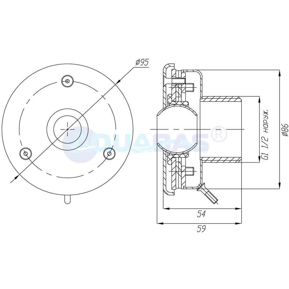
Технические характеристики и условия эксплуатации
- Диаметр лицевой панели: 96 мм
- Отделка бассейна: пленка или лайнер
- Подсоединение: 1,5 дюйма (наружная резьба)
- Рекомендуемый расход воды: 2-3 м3/час
- Материал изготовления: нержавеющая сталь AISI-316
- Отделка лицевой стороны: зеркальная полировка
- Количество уплотнительных прокладок: 2 шт
При соблюдении значений рекомендованного расхода, скорость потока воды через подающую форсунку составляет 2-3 м/с, что соответствует требованиям ГОСТ Р 53491-1-2009.
Комплектация и особенности установки
Стеновая форсунка для установки в борт бассейна (арт. ФП.091.6/1) имеет закладную с наружным резьбовым подсоединением 1,5 дюйма и регулируемый конический диффузор для изменения направления потока. Высококачественные уплотнения гарантируют герметичность изделия. Лицевая панель крепится к закладной тремя винтами. Более подробную схему можно посмотреть в Техническом паспорте изделия.
Обратите внимание! Закладная деталь форсунки должна устанавливаться вровень с чистовой отделкой борта. Это позволит прижать шарик диффузора и обеспечит нормальную эксплуатацию изделия.
Для случаев, когда точность монтажа закладной затруднена, предлагается следующее решение: использовать форсунку ФП.111.1 или ФП.111.2 в комбинации с лицевой стеновой форсункой ФП.091.7 (без закладной). В форсунке ФП.091.7 шарик запрессован, что исключает необходимость его дополнительной фиксации. Данная комбинация допускает небольшое заглубление закладной (до 10 мм), обеспечивая определенный запас при монтаже.
Выгодные условия покупки
В нашей компании вы сможете купить стеновую форсунку AQUABAS из наличия или под заказ по цене производителя. Возможен самовывоз товара со склада в Москве, а также доставка по России и в страны СНГ транспортной компанией.
К сведению зарубежных партнеров и покупателей: в страны Евразийского экономического союза (Армения, Беларусь, Российская Федерация, Казахстан и Киргизия) закладные из нержавеющей стали AISI-316 разрешено поставлять без оформления сертификатов ТР ТС 010/2011.
